280.003
Oswald FQD Asynchronous Motors with Water Cooling
Liquid-cooled OSWALD asynchronous motors and generators series FQD are particularly suitable when heavy demands are placed on a drive system. The motors are designed for wide speed range and high dynamic operation. OSWALD 4-pole FQD motors in power ranges from 1kW to 700kW are characterized by a high power density with small space requirements. High maximum speed, wide range of field weakening, and extremely low noise. Contact us to adapt the electrical and mechanical design to your specific requirements.
PDF Data Sheet: Oswald FQD Asynchronous Motors with Water Cooling (280.003)
Liquid-cooled OSWALD asynchronous motors and generators series FQD are particularly suitable when heavy demands are placed on a drive system. The motors are designed for wide speed range and high dynamic operation. OSWALD 4-pole FQD motors in power ranges from 1kW to 700kW are characterized by a high power density with small space requirements. The totally enclosed FQD motors are cooled over the
integrated cooling jacket by water or oil. A high degree of reliability and low maintenance
requirements result from use of prelubricated bearings as well as stable housing and bearing plates. FQD motors are suitable best for controlled drives with frequency inverters. The installation of an encoder allows field oriented speed control. The FQD series is the result of many years of experience with frequency controlled 3-phase squirrel cage motors. During development special attention was paid to low noise, high acceleration and break down torque, low rotor inertia and high maximum speed with a minimum of vibration.
Typical ApplicationsThe asynchronous motors of the FQD-series are best suited for extruding and injection moulding machines, machine tools, vehicle drives, testing systems, packaging machines, extruder, textile machines, wire drawing mills, printing machines, hydro-electric power plants, etc...
Features • High maximum speed
• Wide range of field weakening
• Extremely low noise
Features of Oswald Motors • Compact, robust, high force density
• Maintenance-free or low maintenance
• Low inertia, dynamical
• Long life
• Made in Germany
Technical Specifications • Torque at S1 duty cycle: 50-1000 Nm
• Power: 5-600 kW
• Speed: up to 20,000 rpm
• Cooling: fluid
• Protection class: IP54 • IP65
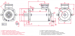
DesignThe motors are designed acc. to relevant standards and regulations, particularly DIN EN 60034/VDE 0530-1, DIN42676/42677/42948. An exception to this is the arrangement of shaft dimensions and partially the flange dimensions; on this please see detailed dimension sheets. Mechanical mountings: B5, V1, B3, B35.
PowerThe power ratings in the tables are valid for rating 50Hz and 70Hz. The motors can be controlled up to the specified nominal speed nN at constant torque and up to speed nF at constant power. At speed higher than nF the power is reduced. Rating power PN for continuous operation S1 with corresponding data frequency, torque and current
are specified. S3-power: P(S3-x%ED) = P / sqrt ( x% / 100%). If desired other voltage, nominal speed and speed range can be offered. For inverter size please see nominal and overload current.
Cooling SystemThe losses of liquid-cooled motors are carried off by means of the cooling medium (mostly water). In the series FQD the liquid flows through an integrated cooling jacket.
The cooling system of OSWALD FQD motors is resistant to aggressive mediums due to the use of stainless steel or copper, therefore the water needs no corrosion preventive. In open cooling systems clear cooling water must be used. The pollution by dirt particles should be avoid by installing filter systems (filtering <100micro-m). Any accumulation of silting up or furling must be prevented. The inlet temperature of cooling water is 25°C. At higher temperature power has to be reduced. Condensing water must be avoided; when cooling water temperature is below room temperature the water flow has to be stopped when motor stops for longer time. Please see the detailed data on motor name plate.
For more information regarding this item (Oswald FQD Asynchronous Motors with Water Cooling) or other items, fill out the form below
or contact our office directly:
Telephone: 815-962-5600
Fax: 815-962-4600
Location: 304 North Main St, Suite 104, Rockford, IL 61101-1101 USA
Email: infο@ΤΑCRοckfοrd.cοm
Related
MF Synchronous Motors
Liquid-cooled OSWALD synchronous motors and generators series M are particularly suitable when heavy demands are placed on a drive system. The motors are designed for wide speed range and high dynamic operation. OSWALD 6-pole MF motors in power ranges from 1kW to 175kW are characterized by highest power density with small space requirements. High maximum speed, extremely low noise, no rotor losses, comes with NdFeB magnets. Contact us to adapt the electrical and mechanical design to your specific requirements.
Mini Water Cooler
The BKW Mini Water Color can be used for many diverse applications. Some examples include welding machinery, Laser-Plasma installations, electron microscopes, X-ray tubes, hydraulic systems, plastic molding machinery, spindles, motors, cleaning and degreasing installations, as well as numerous other applications.
QD Asynchronous Motors with External Cooling
OSWALD asynchronous servomotors series QD are particularly suitable when heavy demands are required with respect to high speed range, dynamics, running smoothness and operational reliability. OSWALD 4-pole QD motors in the power range from 1 kW to 150 kW have quadratic frames and are characterized by a high power density with a small space requirement.
TF Torque Motors and Ring Generators
Direct electric drive, large maximum torque, low rated speed, large hollow shaft, extremely low noise, no rotor losses. Contact us to adapt the electrical and mechanical design to your specific requirements.
QDI Asynchronous Motors for Test Stands
High maximum speed, wide range of field weakening, very low vibration levels, and standard configuration with hybrid bearings. Contact us to adapt the electrical and mechanical design to your specific requirements.
Water Re-Coolers
Including a fully hermetical cooling agent compressor for the cooling of clean water, glycol mix or emulsion. A powerful water pump (WRK30-100 made of stainless steel), a container and a complete electrical control system are incorporated. The special evaporator allows preliminary water temperatures of up to approx. 2 degrees C without anti-freezer. Even complete freezing will not cause any defects or total failure. Avoid excessive expenses for cooling water and complicated installations by using a sophisticated installation system, and use Water Re-Coolers made by BKW instead.
Power Clamp Power Coolers
The Power Cooler is a new cooling unit to cool down tool holders. An air stream interspersed with a fine water mist cools down the shrink fit chucks of any shape in record time.
Heat Exchangers
These cooling systems facilitate the cooling of oils and other media (with BKW equipment even contaminated media). Water is supplied at the front inlet side from the internal side of the tubes while the medium to be cooled flows in from the jacket.
LIFS Flat Linear Motors
Direct electric drive, high speed, without reduction gear, no play at direction reversal, no rotor losses, and with NdFeB magnets. Contact us to adapt the electrical and mechanical design to your specific requirements.




