570.111
Zero Master Analog Setup Indicator
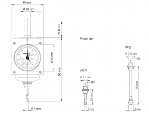
The Zero Master is the smallest 3D-Sensor worldwide. Usage, function and accuracy are equal to the Universal 3D-Sensor. The size of the Zero Master is adapted to small machines. The clamping shank has a diameter of 10 mm. Thus it can be also used on machines with ISO 30 or with small HSK spindles. The housing is shortened and does not protrude far out of the spindle so that even big work pieces can be measured. The Zero Master can be read with a small analog dial gauge.
PDF Data Sheet: Zero Master Analog Setup Indicator (570.111)
| Item | Probe Dia. | Accuracy | Probe Length | Part Number | ||||
|---|---|---|---|---|---|---|---|---|
| Analog Probe w/ Short Probe Tip, Metric | 4 mm | 0.01 mm | 25 mm | 80.960.00 | ||||
| Analog Probe w/ Short Probe Tip, Inch | 0.2" | 0.0004" | 1" | 80.960.00.IN | ||||
| Short Probe Tip | 4 mm | 0.01 mm | - | 80.362.00 | ||||
| Long Probe Tip | 8 mm | 0.01 mm | - | 80.363.00 | ||||
| Long 3-D Probe Tip | 0.4" | 2.6" | 80.365.30 |
The Zero Master is the smallest 3D-Sensor worldwide. Usage, function and accuracy are equal to the Universal 3D-Sensor. The size of the Zero Master is adapted to small machines. The clamping shank has a diameter of 10 mm. Thus it can be also used on machines with ISO 30 or with small HSK spindles. The housing is shortened and does not protrude far out of the spindle so that even big work pieces can be measured. The Zero Master can be read with a small analog dial gauge.
The Zero Master can be equipped with a short (ball diameter 4 mm) and a long (ball diameter 8 mm) probe tip. The probe tips of course are compatible to all other Haimer 3D-Sensors.
Note:The given measuring precision of 0.01 mm only applies if the original Haimer probe tips are used.
For more information regarding this item (Zero Master Analog Setup Indicator) or other items, fill out the form below
or contact our office directly:
Telephone: 815-962-5600
Fax: 815-962-4600
Location: 304 North Main St, Suite 104, Rockford, IL 61101-1101 USA
Email: infο@ΤΑCRοckfοrd.cοm
Related
HSK Dial Indicator Spindle Taper Gauge Manual
Instruction manual for the dial indicator spindle taper gauge (410.310)
Zero Master Digital Setup Indicator
The dial gauge indicates the distance between spindle axis and workpiece edge. As soon as the gauge shows zero, the spindle axis is exactly on the workpiece edge on the first attempt. This eliminates calculating or problems with positive or negative signs.
Steep Taper Spindle Taper Dial Indicator Gauge
TAC Rockford's steep taper spindle gauge is designed to verify and measure correct location of the spindle gauge line.
Not included are an indicator and taper sleeve master.
The gauge can be used with any dial indicator with an 8mm stem. Recommended available options:
Part Nr. 499.220.150
- 0.01mm Resolution
Part Nr. 499.220.151
- 0.001mm Resolution
Part Nr. 499.220.155
- 0.00005" Resolution
In addition, we strongly recommend a 430.110 series Taper Sleeve Gauge to zero the indicator.
Tool Holder Taper Complete Measuring Units
Calibrated with a gauge master, the taper gauge checks large taper diameter, small taper diameter, straightness of the taper, relationship of the flange to the taper, and taper length.
HSK Tool Holder Taper 30 Degree Clamping Angle Gauges
Using the calibrated master, the distance of the 30 degree clamping slope relative to l 2 is preset using the dial indicator holder. The tool taper to be measured is placed in the centering piece, allowing the variation of the taper to be measured.
3D New Generation Setup Indicator
The 3D-Sensor NG is a further development of our worldwide accepted and proven Universal 3D-Sensor. Its distinguishing features are improved mechanics and a new and compact design.
3D Digital Setup Indicator
The digital display has large numbers that measure in increments of 0,001mm. It can be easily read from a long distance (i.e. when mounted on a large machining center). The digital display is splash-proof and dust-proof and can be stored in the tool magazine of the machine.
Centro Setup Indicator
With the CENTRO, bores and shafts can be easily and precisely centered. The CENTRO is clamped into a tool holder and inserted into the spindle of the milling machine. The machine spindle is then positioned near the bore or shaft that is to be measured, and rotates at low speed.
Pneumatic HSK Tool Holder Taper Gauge Kits
Gauging kit for HSK tool holder taper with pneumatic measuring column. The Multifunctional Measuring and Control Device is designed for high precision and multifunctional capabilities. In addition to providing various ways for measuring input, it can be customized to meet customer requirements.




